Enhance Your HST Heat Detector Tester

Explore a range of accessories designed to expand functionality and optimize your testing experience.

Why Choose Our Accessories

Durability

Built for demanding environments.

Ease of Integration

Fully compatible with all HST Heat Detector Testers.

Custom Solutions

Accessories tailored to diverse needs.

Proven Performance

Trusted by industry professionals worldwide.

See How Our Accessories Work Together

Each accessory is designed to streamline your testing process, ensuring precision and ease of use in the field. Hover over the image to identify each accessory. Click on an accessory to learn more.

HST Large Carry Bag
X
Conveniently stores all testing tools and accessories. More Details
HST Battery Pack ​
X
Long-lasting 3000mAh battery for extended field performance. More Details
HST Remote Temperature Readout Cable
X
Allows real-time temperature readings on the go. More Details
HST Output Extension Cable​
X
Ensures flexibility with extended cable length to 27.5 feet More Details
HST Output Extension Cable​
X
Adds up to 30 feet of reach for elevated detectors. More Details
HST Output Extension Cable​
X
Reliable power source for consistent performance. More Details
HST Battery Pack ​
X
Long-lasting 3000mAh battery for extended field performance. More Details
HST Output Extension Cable​
X
Ensures flexibility with extended cable length to 27.5 feet More Details
HST Output Extension Cable​
X
Reliable power source for consistent performance. More Details
HST Remote Temperature Readout Cable
X
Allows real-time temperature readings on the go. More Details
HST Output Extension Cable​
X
Adds up to 30 feet of reach for elevated detectors. More Details
HST Large Carry Bag
X
Conveniently stores all testing tools and accessories. More Details

HST compatible extension poles

Compatible extension poles that allow the HST Heat Detector Tester to test detectors mounted 30 feet high. 

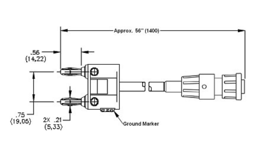
Diagram for HST Series Heat Detector Tester Remote Readout Output Cable

HST remote temperature readout cable

Cable allows you to connect with a digital voltmeter to read temperature of the test chamber.

Diagram for HST Heat Detector Tester Power supply Extension Cable

HST Output Extension Cable

The heavy duty cable extends the length of the HST Remote Temperature Readout Cable to 27.5 feet. 

Diagram for HST Series Power Supply

HST power supply

Power supply for HST Heat Detector Testers. When used with the HST Power Supply Extension Cable, power can be supplied up to 20 feet. 

HST Series Battery Pack

HST Battery Pack

Ensure continuous, uninterrupted testing with an extra battery pack.

Diagram for HST Heat Detector Tester Power supply Extension Cable

HST power supply
Extension Cable

The heavy duty coiled cable extends the cable length of the HST Power Supply up to 20 feet. 

HST Large Carry Bag

Perfect for carrying, protecting, and storing HST Heat Detectors Tester heads, cables, and inspection poles.

Ready to Customize Your Setup?​

Contact us today for a quote or more information on these accessories.​

info@skinnerinnovations.com

+1 (801) 766-4782

9am-5pm CST